G3NA-25□DD
产品信息
型号 G3NA-25□DD
产品图片
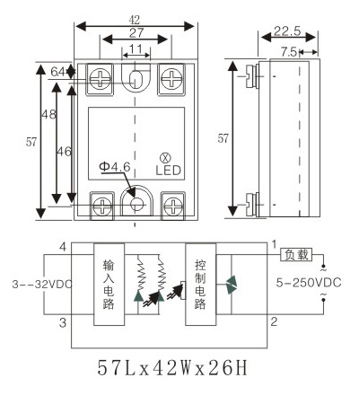
尺寸


负载电流Load Current 10A,25A,40A,60A,75A,90A,100A
负载电压Load Voltage 5-250VDC
控制电压Control Voltage 3-32VDC
控制电流Control Current DC4-12mA
通态压降On Voltage ≤1.5V
通态漏电流 Off Leakage Current ≤2mA
断态时间On-off Time ≤10ms
介质耐压Dielectric Strength 2000VAC
绝缘电阻Insulation Resistance 500MΩ/500VDC
环境温度Ambient Temperature -30℃~+75℃
安置方式:Mounting Methods 螺栓固定
工作指示The Work Instructions LED
重量Weight 85g