|
产品信息
|
|
型号
|
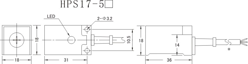
HPS17-5□
|
|
产品图片
|
|
|
尺寸
|
|
|
18*18*36mm
|
|
安装方式
|
非屏蔽式
|
|
型号
|
直流型
|
NPN
|
NO
|
HPS17-05N
|
|
NC
|
HPS17-05N2
|
|
NO+NC
|
HPS17-05N3
|
|
PNP
|
NO
|
HPS17-05P
|
|
NC
|
HPS17-05P2
|
|
NO+NC
|
HPS17-05P3
|
|
二线
|
NO
|
HPS17-05D1
|
|
NC
|
HPS17-05D2
|
|
交流型
|
二线
|
NO
|
HPS17-05Y1
|
|
NC
|
HPS17-05Y2
|
|
三线
|
NO+NC
|
|
|
检测距离
|
5mm ± 10%
|
|
设定距离
|
0-4mm
|
|
滞后距离
|
检测距离的10%以下
|
|
检测物体
|
磁性金属(非磁性金 属时检测距离减小)
|
|
标准检测物体
|
铁18*18*1mm
|
|
响应频率
|
DC:0.5kHz AC:25kHz
|
|
电源电压
|
直流型:DC12-24V(6-36V)脉动(P-P)10%以下
交流型:AC110-220V(36—250V)50/60Hz
|
|
耐电压
|
AC1000V 50/60Hz 1min充电部分与外壳间
|
|
电压的影响
|
额定电源电压范围±15%以内、额定电源电压值时±10%检测距离以内
|
|
消耗电流
|
N.P型:13mA以下,D型:0.8mA以下, A型:1.7mA以下
|
|
控制输出
|
N.P型:300mA以下,D型:200mA以下, A型:400mA以下
|
|
回路保护
|
N.P.D型:逆连接保护、浪涌吸收、负载短路保护, A型:浪涌吸收
|
|
环境温、湿度
|
动作时保护时:各-30—+65℃
(不结冰、不结霜), 动作时、保护时:各35—95%RH
|
|
温度的影响
|
温度范围-30—+65℃, +23℃时、±15%检测距离以内
温度范围-25—+60℃, +23℃时、±10%检测距离以内
|
|
绝缘阻抗
|
50MΩ以上(DC500兆欧表)充电部分与外壳间
|
|
材质
|
外壳:ABS 检测面:ABS
|
|
防护等级
|
IP67(IEC规格)
|